リレー
リレーは、電磁石と接点から成り立っています。電磁石に電流が流れると電磁誘導により磁力が発生し、接点動かします。
その結果、接点が繋がれた電気回路をON/OFFさせることが出来る仕組みです、
コイルに流す小さな電流で接点部に流すことが出来る大きな電気を制御できるのです非常に便利な部品です。
下記にリレーの動作の様子を図に示しています。図中の黄色部分が電磁石です。
電磁石には、コイルの横にあるのが電磁石を動かすための電池(電気)とスイッチが繋がれています。
この時は、接点の上部が繋がっています。

スイッチを入れると接点は引き寄せられて下側の接点と繋がります。

リレーの原理はこのような動作です。電磁石もいろいろな電圧や電流で駆動できるものがあります。
接点に流す電流もいろいろあります。制御する回路の電圧や電流、そして電磁石の駆動電圧もさまざまな種類のものがありますので、
接続する回路によってリレーを選んでいく必要があります。
リレーの一例を下記に示します。


では実際にリレーを動かしてみます。
リレーはオムロンのG5V-2 コイル電圧(電磁石の駆動電圧)5Vというものを選びました。
このリレーの規格をデータシートで調べてみます。
操作コイル部の規格
| 電圧 | 定格電流 |
| 5V | 100mA |
接点部の規格
| 項目 | 規格 | |
| 1 | 接点接触機構 | クロスバ.ツイン接点 |
| 2 | 接点材質 | Au合金+Ag |
| 3 | 接点及び接点数 | C接点 2回路 |
| 4 | 定格負荷 | AC125V 0.5A DC30V 2A |
| 5 | 接点電圧の最大値 | AC125V、DC125V |
| 6 | 接点電流の最大値 | 2A |
このリレーでは、接点に流すことが出来る電気は、交流(AC)では125V、0.5A、また直流(DC)30V 2Aが最大となっています。また、コイルに電流が流れているときに接点部が駆動するノンラッチ型のリレーです。
コイルに電流一度流れると電流が切れても接点状態を保持するラッチ型リレーもあるようです。
定格負荷に対しては、マージン(例:実力の50%で使用)を入れて使用するのが良いと思います。
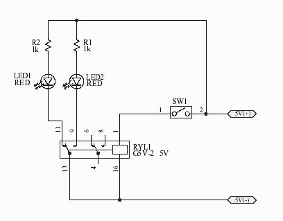
駆動(実験)回路を作ってみます。
今回は、接点にLEDを繋ぎ、LEDの点灯、消灯で接点の動作を見ます。
LEDについては「表示に便利なLEDの基本動作」をご覧ください。
実験回路は下記に示します。
RYL1がリレーです。R1とR2は抵抗、LED1とLED2はLEDです。SW1でリレーのコイルの電気を制御します。


回路を基板に作った様子。

スイッチOFFのとき、接点は動いていないのでLED1が点灯しています。

スイッチONのとき接点が動きLED2が繋がり点灯しました。

スイッチONの時に流れている電流です。テスターの表示は見にくいですが100mAくらいです。