タッチスイッチ
指で触れることで、スイッチを入れたり、切ったりできるタッチスイッチを製作しました。
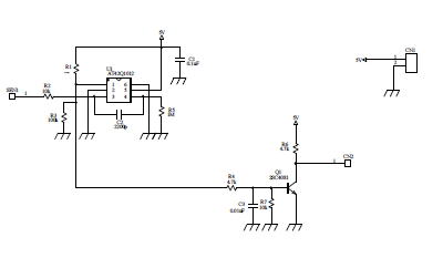
タッチセンサーの部分は、アトメル社のAT42QT1012といICを使用します。
指(人体)が触れることで、センサー部分の静電容量が変化します。この変化を読み取りスイッチング動作しています。
AT42QT1012は、6ピンの小さなICです。
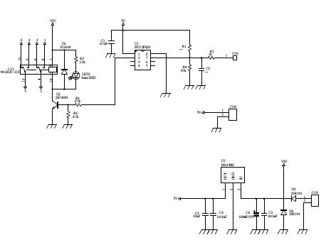
センサー部分の回路図です。センサーICとスイッチ出力のバッファトランジスタで構成しました。
このICは、5Vで動作します。
DC12Vで駆動するための5Vの電源とリレーを別基板で製作しました。
電源投入時に誤動作するので、電源投入から数100msec動作しないようにしてあります。
回路図は下記に示す通りです。
左:タッチスイッチ基板 右:電源、リレー基板

左がタッチセンサーです。このセンサーを指で触れるとスイッチが動きます。
回路は基板の裏側に、搭載されています。
スイッチ基板をアクリル板に取り付けてみました。アクリル板の上から指で触ると、スイッチが動作します。
2mmくらいのアクリル板で動作していました。
アクリル板に、ご自身でデザインしたシールを貼ってオリジナルスイッチも製作できます。
スイッチ動作は、センサー部をタッチするとトグル動作します。(ON→OFF、OFF→ON)