2入力ラッチスイッチ

スイッチ2個が同時に使用できるラッチスイッチを製作しました。
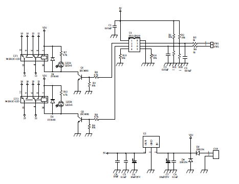
今回は、ロジックIC TC4013BP(D-FF)の代わりにPICマイコンで回路を作りました。
回路図です。
電源はDC12Vとしました。マイコンは5Vで動きますので、レギュレータICで5Vを作り出します。
U1の7、8ピン にスイッチを接続します。これらのピンがグランド電位になることで、
スイッチが押されたと検出します。スイッチの片方は、グランドの接続しておく必要があります。
電源グランド端子を利用します。


基板を作りました。基板の様子です。


スイッチが押されると、押されたスイッチに対応したリレーが OFF→ON (ONの場合はOFFへ)動作します。
リレーの駆動電圧は、12Vです。トランジスタを介して駆動しています。