簡単赤外線リモコンの製作
赤外線リモコンの送信機からは、キャリア38kHzでPPM(Pulse Position Modulation)という変調でデータを送っています。
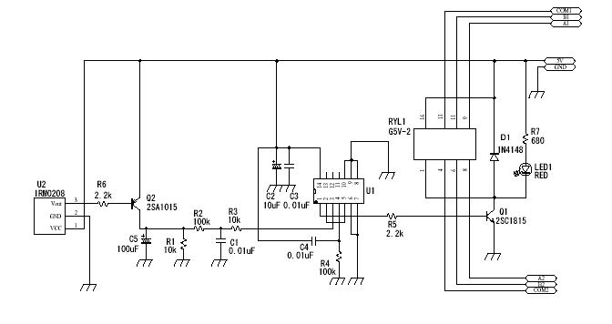
リモコンから発信された赤外線を感知してリレーをON/OFFさせるリモコンスイッチを製作します。
リモコンからのデータを読んでいませんし、この回路では赤外線の有無のみを感知しています。
結果として欠点としてどのリモコンでも反応してしまいます。
リレーの接点のBDアダプターや他の電気機器を接続してスイッチON・OFFさせるのに利用できます。
他の電気機器へ影響がないように使用していない利用しなければなりませんが・・・・。

Dフリップフロップが2個入ったTC4013というICでラッチ回路、リレーとLEDの駆動回路、赤外線受光部で構成されています。
赤外線受光部には、5V 0Vを繰り返すリモコンのデータがでていますので、コンデンサで平滑しデータが出ている間には、
5Vの一定電圧を出力できるようにしてあります。

回路図は下記の通りです。RYL1の4.6.8と9,11、13ピンが接点になります。このリレーはC接点の2回路入りです。
ノンラッチ型のリレーですので、通電されているときにリレーはONします。
電源はDC5Vを使っています。リモコン動作の反応間隔はC5のコンデンサで調整できます。
現状1秒間隔くらいでリモコンに反応します。
回路図を示します。

リレー端子接続説明
使用したリレーは、シングルスティブル、ノンラッチ型です。接点は2回路入りのC接点です。
トランジスタがOFFのときは、COM1とB1が繋がっおります。トランジスタがONのときは、COM1とA1が繋がります。
纏めると下表のように繋がります。
U1は、ラッチスイッチで使用しているTC4013BPです。
| トランジスタON | トランジスタOFF |
| COM1-B1 | COM1-A1 |
| COM1-B2 | COM1-A2 |
リレーの接点にBDアダプターなど制御したい対象を接続します。
リレーの接点には、電流容量や電圧が決まっていますので、よくリレーの規格を見る必要があります。
最大規格ではなく余裕を見て使用します。