中波帯RFアンプの製作

ループアンテナでBCLを楽しんでいます。受信信号を大きくして少しでも聞きやすくしたかったので、
中波専用のプリアンプを作りました。
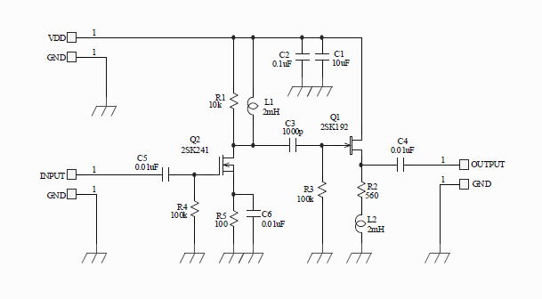
回路は下記のようになります。2SK241と2SK192の2段アンプです。

ユニバーサル基板で製作しても良かったのですが、周波数は低いですが、高周波基板なので、基板を作ってみました。

製作した基板です。中波帯なので周波数は低いとこになりますが、一応高周波基板なので、グランドを広めに取りました。
早速、組み立ててみます。ケースにも収めました。部品はFET(トランジスタ)、コイル以外は面実装部品を使いまいした。
ケースに組み立てた例です。
組んだ様子
DE1103の外部アンテナとループアンテナで、ラジオ日本 1422KHzをループアンテナで受信してみました。
アンプなし アンプあり
フェージングにも強く聴きやすくなります。
昼間中波帯(AM)ラジオを受信してみました。
信号の強さは、DE1103(ラジオ)のメータを5段階の感覚で分けました。かなり主観です。
信号の弱いラジオ日本は信号が強く入いるようになりました。
NO 受信局 周波数 アンプ無 アンプ有 備考
1 ニッポン放送 1242KHz 55555 55555    
2 TBS 954KHz 55555 55555   
3 AFN 810KHz 34453 54454    
4 ラジオ日本 1422KHz 34353 54454