LEDフラッシャー
LEDの流れるように点滅するLEDフラッシャーを作ります。
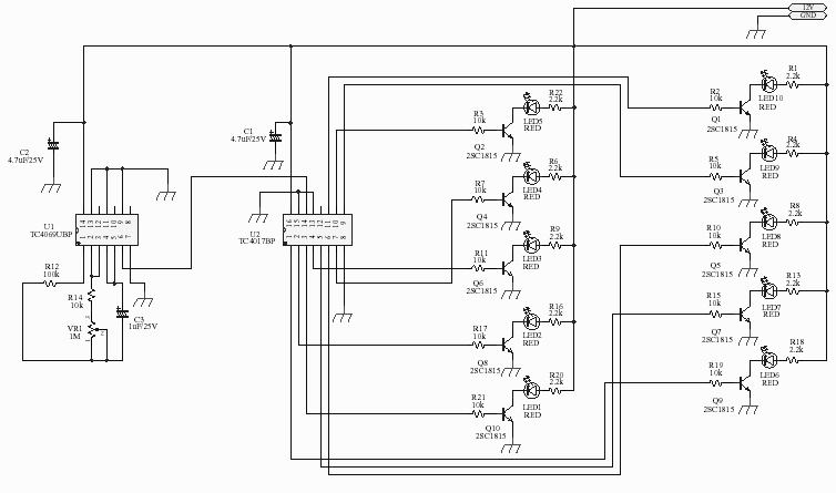
マイコンを使わずロジックICで回路を作ります。駆動電圧は12Vです。
回路図を図1に示します。

(図1)
U2のTC4017BPは、5段のDフリップフロップで構成される10進カウンタです。出力が10進数に変換されてます。
CLOCK(クロック)の周波数でLEDが点滅して流れる速さが変わります。
クロックはU1のTC4069UBPで作っています。VR1でクロック周波数を変えることが出来ます。
TC4069UBPは、LED点滅回路(2)で使用していますので、そちらを参照してください。
TC4017BPのピン配置を図2に、内部構成図を図3に、またタイミングチャートを図4に示します。
トランジスタはLEDの駆動回路です。

(図2)

(図3)

(図4)