ハイエンドヘッドフォンアンプ
TPA6120A(TI製)のヘッドフォンアンプICを使ってヘッドフォンアンプを製作してみました。
SNR120dBと高スペックを謳っています。ICの詳細スペックは、デバイスのデータシートをご参照。

基板製作した


タカチのケースに収めてみました。
(基板を少し削らなければ入りません。)
電源は24Vで駆動しました。ACアダプターでも2Aクラスを使っています。電源投入時に突入電流が流れ電流容量の小さなACアダプターでは駆動できませんでした。
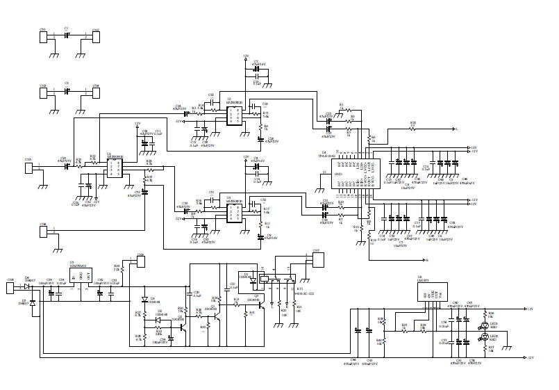
回路図は下記の通りです。
24Vから中点より±12Vを掛けて駆動しています。
電源投入時にポップ音が出ますので、電源投入から遅延(数秒)を掛けてオーディオ出力しています。
入力にはMUSESS8820を使用しました。
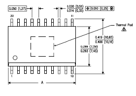
TPA6120は、面実装部品です。この部品の裏側にサーマルパッドがあります。
サーマルパッドは、グランドに接続されています。半田付けには工夫が必要になります。
TPA6120
半田付けの工夫は下記のようにしました。
基板のサーマルランドに半田を盛り、半田吸い取り線で適量まで吸い取ります。
部品をランド合わせて載せます。少しICが浮いた状態でもICピンを半田付けしておきます。
半田ごて2本を使い、IC全体サーマルランドの半田が融けるまで暖め、IC全体が沈み、
基板に密着するように半田つけします。
試聴しました。低音、高音とも伸びており満足しています。
タカチの大きめのケースに収めています。